Contact Us

BP32

BP32

Short Description:

1.1 Низковольтные серии ножевых переключателей открытого типа и переключателей передачи и переключателей передачи (далее именуемые ножевыми переключателями и ножевыми переключателями переключения) имеют номинальное напряжение переменного тока 50 Гц, 380 В и номинальный ток 630А.  В распределительном оборудовании промышленных предприятий оно используется для нечастого ручного подключения или отключения линий или в качестве разъединителя.

1.2 Нормальные условия работы рубильника и ножовидного выключателя: А. Высота над уровнем моря не превышает 1000 м: В. Температура окружающего воздуха не выше + 40°С и не ниже -30 °с;  с. Относительная влажность воздуха не превышает 85%;  D .В среде без опасности взрыва, и нет достаточного количества газа и пыли (включая проводящую пыль), чтобы разъесть металлы и разрушить изоляцию в технологии носителей, Е. Нет значительных вибраций сотрясения и удара.


Product Detail

Product Tags

Модель и основные характеристики

Модель

спецификации

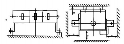
Размер и высота установки
a B
BP32-31 50 15
BP32-35 70 40
BP32-37 80 35
BP32-39 85 30

  • Previous:
  • Next:

  • Write your message here and send it to us