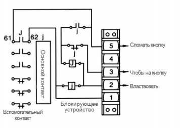
Структура
Конструкция размагничивающего контактора серии сJ12м-S представляет собой план в виде полосы.
На плечевой стали. используемой для установки, система главных контактов центрирована. Правая
сторона главного контакта – это электромагнитная система, а левая сторона – вспомогательный контакт.
Механизм блокировки Расположенная под электромагнитной системой скважина оснащена вращающимся
упором, а все устройство удобно для контроля и обслуживания.
Схема подключения
