Contact Us

YUANKY multi function time relay repeat cycle starting ON Off SPDT DPDT 12-240VAC/DC 100mA time adjustable timer switch

YUANKY multi function time relay repeat cycle starting ON Off SPDT DPDT 12-240VAC/DC 100mA time adjustable timer switch

Short Description:

time relay-1


Product Detail

Product Tags

Multi-function Time Relay

Time relay is an automatic control unit, that can be combined with various other electrical equipment to achieve automatic control of the operating circuit. After a preset time expires, the contact output will be closed or opened, which will enable the terminal electrical equipment to automatically run or stop.

This series of time relay has the advantages of wide operating voltage range, clear working instructions, small volume, uniform size, easy installation, etc.

Application: Industrial machinery; Illumination; Manufacturing; HVAC system; Food and agriculture

 

Output Characteristics HW531T HW532T
Output Characteristics SPDT DPDT
Contact Material Silver Alloy
Current Rating 16A@240VAC, 24VDC
Minimum Switching Requirement 100mA
Input Characteristics
Voltage Range 12-240VAC/DC
Contact material Silver Alloy
Operating Rang(% of Nominal) 85%-110%
Timing Characteristics
Functions Available 10
Time Scales 10
Time Range 0.1s~10D
Minimum Switching Requirement 100mA
Tolerance(Mechanical Setting) 5%
Reset Time 150ms
Trigger Pulse Length(Minimum) 50ms
Environment
Ambient Temperature around the device Storage: -30~+70℃ Operation: -20~+55
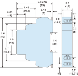
Dimensions: in(mm) Wiring Diagrams

 

 

 

Function

Operation

Timing Chart

A

On Delay Power On

When the input voltage U is applied, timing delay t begins. Relay contacts R change state after time delay is complete. Contacts R return to their shelf state when input voltage U is removed. Trigger switch is not used in this function.

 

B

Repeat Cycle Starting Off

When the input voltage U is applied, timing delay t begins. When time delay t is complete, relay contacts R change state for time delay t. This cycle will repeat until input voltage U is removed. Trigger switch is not used in this function.

 

C

Interval Power On

When input voltage U is applied, relay contacts R change state Immediately and timing cycle begins. When time delay is complete, contacts return to shelf state, When input voltage U is removed, contacts will also return to their state. Trigger switch is not used in this function.

 

D

Off Delay S Break

Input voltage U must be applied continuously. When trigger S is closed, relay contacts R change state. When trigger S is opened, delay t begins. When delay t is complete, contacts R return to their shelf state. If trigger S is closed before time delay t is complete, then time is reset. When trigger S is opened, the delay begins again, and relay contacts remain in their energized state, if input voltage U is removed, relay contacts R return to their shelf state.

 

E

Retriggerable One Shot

Upon application of input voltage U, the relay is ready to accept trigger signal S. upon application of the trigger signal S, the relay contacts R transfer and the preset time t begins. At the end of the preset time t, the relay contacts R return to their normal condition unless the trigger signal S is opened and closed prior to time out t (before preset time elapses). Continuous cycling of the trigger signal S at a rate faster than the preset time will cause the relay contacts R to remain closed. If input voltage U is removed, relay contacts R return to their shelf state.

 

F

Repeat Cycle Starting ON

When input voltage U is applied, relay contacts R change state immediately and time delay t begins. When time delay t is complete, contacts return to their shelf state for time delay t. This cycle will repeat until input voltage U is removed. Trigger switch is not used in this function.

 

G

Pulse Generator

Upon application of input voltage U ,a single output pulse of 0.5 seconds is delivered to relay offer time delay t. Power must be removed and reapplied to repeat pulse. Trigger switch S is not used in this function.

 

H

One Shot

Upon application of input voltage U ,the relay is ready to accept trigger signal S. Upon application of the trigger signal S, the relay contacts R thrasher and the preset timebegins. During time – out,the trigger signal S is ignored. The relay resets by applying the trigger signal S when the relay is not energized.

 

I

On/Off Delay S Make/Break

Input voltage U must be applied continuously. When trigger S is closed, time delay t begins. When time delay t is complete, relay contacts R change state and remain transferred until trigger S is opened. If input voltage U is removed, relay contacts R return to their shelf state.

 

J

Memory Latch S Make

Input voltage U must be applied continuously. Output changes state with every trigger S closure. If input voltage U is removed, relay contacts R return to their shelfsate.

 


  • Previous:
  • Next:

  • Write your message here and send it to us