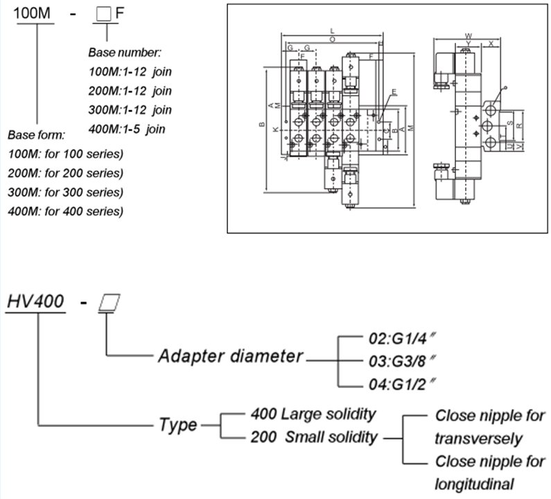
Electromagnetic valve
Pneumatic valve base
Switching valve
Switching valve is a manual three-position & four-port change valve with hard seal or soft seal structure. It can control airflow direction, and drive pneumatic device with light operative force, good seal and long service life.
Adapter bore: G1/8”~G1/2”
Working pressure: 0~0. 8MPa
Applicable temperature: -5~60℃
