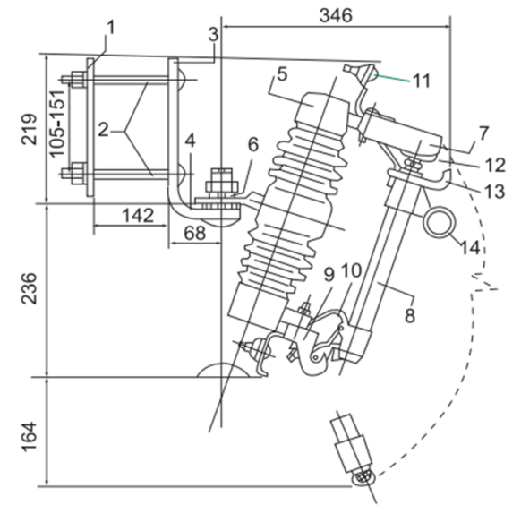
Drop-out cutout fuse and load switching cutout fuse are of outdoor used high voltage protective device. To be connected with incoming feeder of distribution transformer or distribu-tion lines it mainly protect transformer or lines from short circuit and overload, and on/off loading current.Drop-out cut-out fuse is composed of insulat insulator supports and fuse tube, static contacts is fixed on two sides of insulator support and moving contact is installed on two ends of fuse tube.Fuse tube is composed of inside arc-extinguishing tube,outer phenoilc compound paper tube or epoxy glass tube.Load switching cutout fuse provides enforced elastic auxil-iary contacts and arc-extinguishing enclosure for switching on/off loading current.
At normally working via fuselink tightened the fuse tube is fixed to form up of close position.In case system occur faults,fault current result in fuse melt immediately and take place electric arc, which let arc-extinguishing tube being heated and explode a lot of gas. This will produce high pressure and blow off the arc along with tube.After fuselink melt moving contact has no tightened strength again,mechanism is locked and fuse tube drop out. Cutout now is in open position. When it needs to switch off during cutout loading, operator shall via insulating operating bar pull the moving contact, at its begin-ning main contact and auxiliary static contact is contacted still. Whiling pulling the auxiliary contact is separated be-tween auxiliary contacts there occur electric arc and the arc will be lengthened in arc-extinguishing enclosure gap and meanwhile arc-extinguishing explode gas to blow off the arc during current passing zero.
